Product Summary
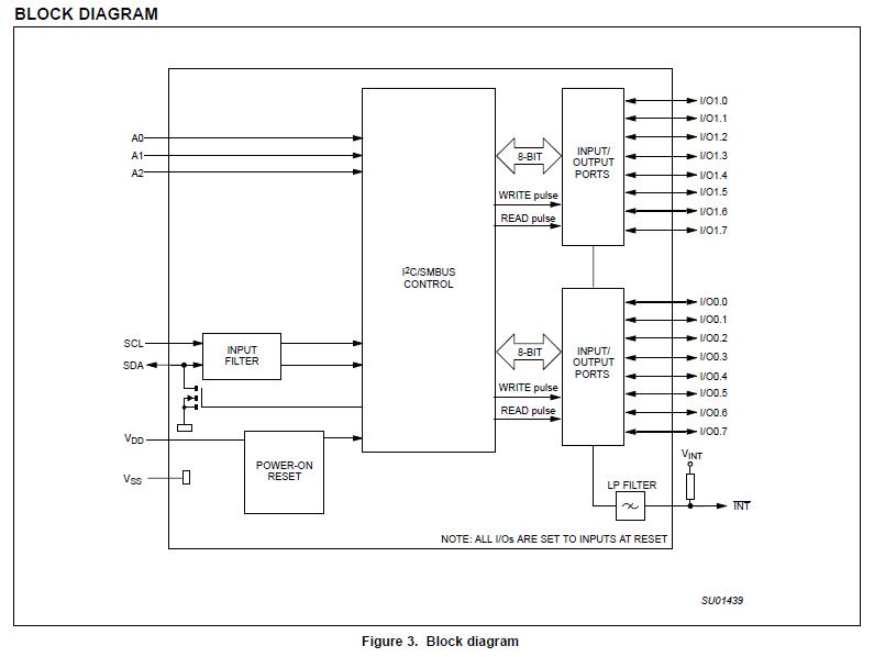
The PCA9535PW-T is a 24-pin CMOS device that provides 16 bits of General Purpose parallel Input/Output (GPIO) expansion for I2C/SMBus applications and was developed to enhance the Philips family of I2C I/O expanders.
Parametrics
Absolute maximum ratings: (1)Supply voltage: -0.5 to 6.0 V; (2)DC input current on an I/O: VSS - 0.5V to 6 V; (3)DC output current on an I/O: ± 50 mA; (4)DC input current: ± 20 mA; (5)Supply current: 160 mA; (6)Supply current: 200 mA; (7)power dissipation: 200 mW; (8)Storage temperature range: -65 +150 ℃; (9)Operating ambient temperature: -40 +85 ℃.
Features
Features: (1)Operating power supply voltage range of 2.3 V-5.5 V; (2)5 V tolerant I/Os; (3)Polarity inversion register; (4)Active LOW interrupt output; (5)Low stand-by current; (6)Noise filter on SCL/SDA inputs; (7)No glitch on power-up; (8)Internal power-on reset; (9)16 I/O pins which default to 16 inputs; (10)0 to 400 kHz clock frequency.
Diagrams

![]() |
![]() PCA9306AMUTCG |
![]() ON Semiconductor |
![]() Translation - Voltage Levels |
![]() Data Sheet |
![]()
|
|
||||||||||||
![]() |
![]() PCA9306D,112 |
![]() NXP Semiconductors |
![]() Translation - Voltage Levels I2C Translator 8-Pin |
![]() Data Sheet |
![]()
|
|
||||||||||||
![]() |
![]() PCA9306D,118 |
![]() NXP Semiconductors |
![]() Translation - Voltage Levels DUAL I2C/SMBUS VOLT TRANSL |
![]() Data Sheet |
![]()
|
|
||||||||||||
![]() |
![]() PCA9306DC,125 |
![]() NXP Semiconductors |
![]() Translation - Voltage Levels DUAL I2C/SMBUS VOLT TRANSL |
![]() Data Sheet |
![]()
|
|
||||||||||||
![]() |
![]() PCA9306DC1,125 |
![]() NXP Semiconductors |
![]() Translation - Voltage Levels DUAL I2C/SMBUS VOLT |
![]() Data Sheet |
![]()
|
|
||||||||||||
![]() |
![]() PCA9306DC1/DG,125 |
![]() NXP Semiconductors |
![]() Translation - Voltage Levels Dual bdrctnl I2C-bus & vltg-lvl trnsltr |
![]() Data Sheet |
![]()
|
|
||||||||||||
(China (Mainland))






