Product Summary
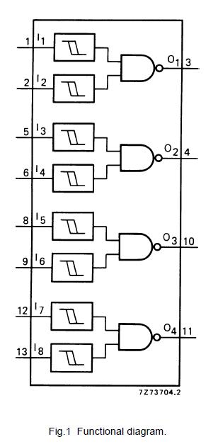
The HEF4093BT is a quad two-input NAND gate. Each input has a Schmitt trigger circuit. The gate switches at different points for positive-going and negative-going signals. The difference between the positive voltage (VT+) and the negative voltage (VT-) is defined as hysteresis voltage (VH).
Parametrics
Absolute maximum ratings: (1)supply voltage: -0.5 +18 V; (2)input clamping current: ±10 mA at VI < -0.5 V or VI > VDD + 0.5 V; (3)input voltage: -0.5 VDD + 0.5 V; (4)IOK output clamping current: ±10 mA at VO < -0.5 V or VO > VDD + 0.5 V; (5)input/output current: ±10 mA; (6)supply current: 50 mA; (7)storage temperature: -65 to +150 ℃; (8)ambient temperature: -40 to +125 ℃.
Features
Features: (1)Schmitt trigger input discrimination; (2)Fully static operation; (3)5 V, 10 V, and 15 V parametric ratings; (4)Standardized symmetrical output characteristics; (5)Operates across the automotive temperature range from -40 ℃ to +125 ℃; (6)Complies with JEDEC standard JESD 13-B.
Diagrams

| Image | Part No | Mfg | Description | ![]() |
Pricing (USD) |
Quantity | ||||||||||||
|---|---|---|---|---|---|---|---|---|---|---|---|---|---|---|---|---|---|---|
![]() |
![]() HEF4093BT,652 |
![]() NXP Semiconductors |
![]() Gates (AND / NAND / OR / NOR) QUAD 2IN NAND SCHMTT TRIGGER |
![]() Data Sheet |
![]()
|
|
||||||||||||
![]() |
![]() HEF4093BT,653 |
![]() NXP Semiconductors |
![]() Gates (AND / NAND / OR / NOR) QD 2IN NAND SCH TRIG |
![]() Data Sheet |
![]()
|
|
||||||||||||
(China (Mainland))






